The store will not work correctly in the case when cookies are disabled.
We use cookies to make your experience better.To comply with the new e-Privacy directive, we need to ask for your consent to set the cookies. Learn more.
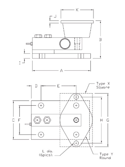
Stainless steel single ended shear beam mount with neoprene isolation pad. Accommodates vibration and thermal expansion. Mild steel or stainless steel load cells rated IP65/IP67 with capacities from 50 lbs. to 5,000 lbs.
Single ended beam tank mount in capacities ranging from 25 lbs to 5,000 lbs.
Alloy steel, stainless steel, and stainless steel welded load cells with stainless steel mounts
Neoprene isolation pad accomodates vibration, thermal expansion, and alignment Dynamic load compensation
Easy to install
Applications
Designed for use in light to medium capacity tanks, bins, hoppers, and conveyors. Powder & bulk processing, mixing, blending & batching, hostile environments.
Configurations
Alloy steel load cell with stainless steel mount
Stainless steel load cell with stainless steel mount
Stainless steel welded load cell with stainless steel mount
Kits
3 Mount or 4 Mount Kits are available. Kits will include the CAS SS34AS NEMA 4X Stainless Steel Junction Box with 4 cell signal trim summing card and 25 ft of cable.