CAS-RTM Series

CAS-RTM – Stainless steel single ended shear beam mount with a stainless steel hermetic seal welded cap load cell, rated IP67, in capacities from 500 lbs. to 10,000 lbs. Expansion and contraction due to thermal changes and side loading is handled by rocker pin mounting.

SKU
CAS-RTM

Features

Single ended shear beam tank mount in capacities ranging from 500 lbs to 10,000 lbs.

  • All stainless steel construction
  • Hermetically sealed welded cap - IP67 rated
  • Unequaled repeatability - Expands & contracts due to thermal changes
  • Rocker pin mounting
  • Overload and overlift protection

Applications

  • Ideal for tank, bin, and hopper weighing

Configurations

  • Stainless steel load cell with stainless steel mount

Kits

  •  3 Mount or 4 Mount Kits are available. Kits will include the CAS SS34AS NEMA 4X Stainless Steel Junction Box with 4 cell signal trim summing card and 25 ft of cable.

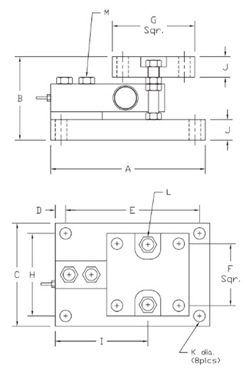
Dimensions

More Information
SKU CAS-RTM
Capacity 3K
Kits Single Mount
Legal For Trade Yes
File Icon CAS-RTM E (512.95 kB)
Copyright © 2023 CAS Corporation. All Rights Reserved.