CAS-03M Series

These mild steel and stainless steel double ended shear beam mounts are ideal for applications that see a lot of agitation, vibration, or expansion and contraction. Mild steel or stainless steel environmentally protected to hermetic seal welded cap IP67 rated load cells are available in capacities from 5,000 lbs. to 250,000 lbs.

SKU
CAS-03M-Series

Features

Double ended shear beam tank mount in capacities ranging from 5,000 lbs to 250,000 lbs.

  • Mild steel, stainless steel, and hybrid construction
  • Environmentally protected to hermetic sealed welded cap - IP67 rated
  • Maximum flexibility in applications involving agitation, vibration, and expansion & contraction
  • Self-checking movement
  • Easy load cell installation and replacement
  • Lift-off protection

Applications

  • Designed for use in medium to high capacity weighing systems, including  tank, hopper, vehicle, and rail track scales. Powder & bulk processing, food & beverage handling, mixing, blending & batching.

Configurations

  • Alloy steel load cell with mild steel mount
  • Stainless steel welded load cell with mild steel mount
  • Stainless steel welded load cell with stainless steel mount

Kits

  • 3 Mount or 4 Mount Kits are available. Kits will include the CAS SS34AS NEMA 4X Stainless Steel Junction Box with 4 cell signal trim summing card and 25 ft of cable.

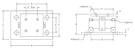
Dimensions

More Information
SKU CAS-03M-Series
Legal For Trade Yes
Country of Manufacture China
File Icon CAS-03M E (535.97 kB)
Copyright © 2023 CAS Corporation. All Rights Reserved.