CAS-TSA Series

Alloy Steel Load Cell w/Mild Steel Mount Capacities ranging from 10K lbs to 75K lbs.

SKU
CAS-TSA Series

Features

Alloy Steel Load Cell w/Mild Steel Mount Truck Scale Mount Capacities ranging from 10K lbs to 75K lbs

  • High performance suspension system
  • Alloy steel load cell
  • Center-loaded double ended shear beam
  • Rubber pad provided for mounting
  • Self checking design

Applications

  • Designed for truck, track, horizontal tank, or general purpose. Light duty livestock to heavy duty vehicle scales.

Configurations

  • Alloy Steel Load Cell with Mild Steel Mount assembly

Kits

  •  3 Mount or 4 Mount Kits are available. Kits will include the CAS SS34AS NEMA 4X Stainless Steel Junction Box with 4 cell signal trim summing card and 25 ft of cable.

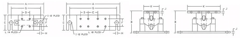
Dimensions

More Information
SKU CAS-TSA Series
Legal For Trade Yes
Copyright © 2023 CAS Corporation. All Rights Reserved.