CAS-23M Series

Mild or stainless steel single ended shear beam mount. Ideal for multi-directional movement w/self-checking. Alloy or stainless steel IP67 rated load cells feature environmentally protected or hermetic seal welded cap designs. 250 lbs to 10,000 lbs capacities.

SKU
CAS-23M

Features

Single ended shear beam tank mount in capacities ranging from 250 lbs to 10,000 lbs.

  • Mild steel or stainless steel construction/Stainless steel welded load cells available
  • Ideal for indoor or outdoor process control applications
  • Center pivoted tension loading
  • Unique spherical washer design provides multidirectional movement w/self checking capabilities
  • Adjustable height

Applications

  • Designed for use in light to medium capacity tanks, hoppers, and conveyors. Powder & bulk processing, mixing, blending & batching, hostile enviroments, and food & beverage handling.

Configurations

  • Alloy steel load cell with mild steel mount
  • Stainless steel load cell with stainless steel mount
  • Stainless steel welded load cell with stainless steel mount

Kits

  • 3 Mount or 4 Mount Kits are available. Kits will include the CAS SS34AS NEMA 4X Stainless Steel Junction Box with 4 cell signal trim summing card and 25 ft of cable.

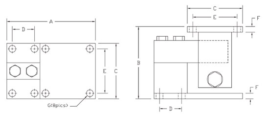
Dimensions

More Information
SKU CAS-23M
Legal For Trade Yes
File Icon CAS-23M E (490.15 kB)
Copyright © 2023 CAS Corporation. All Rights Reserved.